+7 978 768 02 25
Характеристики

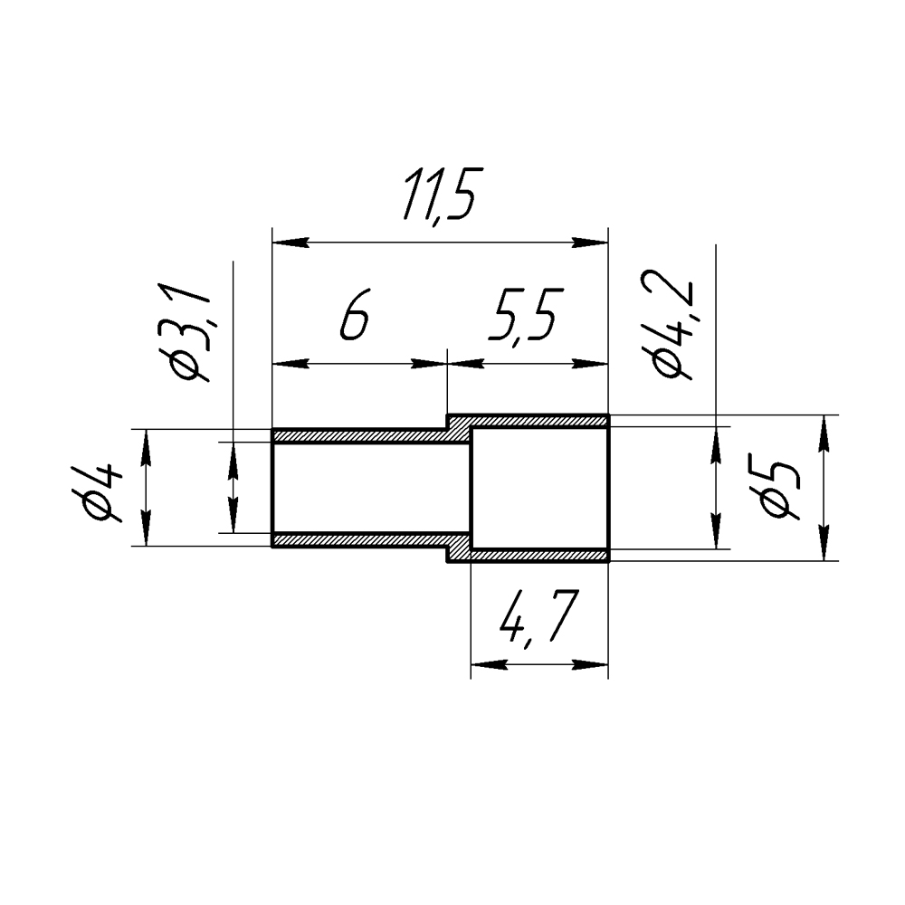
Обжимное кольцо предназначено для заделки кабелей типов RG-174, RG-316 на обжимные разъемы.

Кольцо изготовлено из латуни с никелевым покрытием.

Внешний диаметр - 4 мм и 5 мм

Внутренний диаметр - 3,1 мм и 4,2 мм

Длина общая - 11,5 мм

Характеристики модема:

Диапазон частот
800/850/900/1800/1900/2600МГц
Антенный разъем
2 x TS9

Кабели- характеристики:

Рабочий диапазон температур
-40/+85 °C